| Sign In | Join Free | My components-electronic.com |
|
Brand Name : Shareway
Model Number : ST7033FNL
Certification : CE UL RoHS ISO9001:2008
Place of Origin : Guangdong China
MOQ : 100/500/1000
Price : Supportive
Payment Terms : TT,Paypal
Supply Ability : 3000K.PCS/Month
Delivery Time : Stock or 3 weeks
Packaging Details : Reel
Product name : 90uH Min Lan Transformer ST7033FNL ISDN/ADSL interface transformer
Type : ISDN/ADSL interface transformer
Material : Core
Shield : Unshielded
Pin : 16
Sample : Free
90uH Min Lan Transformer ST7033FNL ISDN/ADSL interface transformer
Description:
The network transformer mainly has the functions of signal transmission, impedance matching, waveform repair, signal clutter suppression and high voltage isolation.
The role of network transformers in Ethernet In Ethernet equipment, when a PHY is connected to RJ45, a network transformer is added in the middle. Some transformer center taps are connected to ground. When connecting to the power supply, the power supply can be different, 3.3V, 2.5V, 1.8V.
The center taps are connected to the power supply and some are grounded. This is mainly determined by the type of UTP port driver used by the PHY chip. There are two types of this drive, voltage drive and current drive. The current drive is connected to the power supply; the voltage drive is directly connected to the capacitor to ground. Therefore, for different chips, the center tap connection is closely related to the PHY. Specifically, please refer to the chip's datasheet and reference design. Different voltages are connected to the power supply, which is determined by the UTP port level specified in the PHY chip data used.
90uH Min Lan Transformer ST7033FNL ISDN/ADSL interface transformer
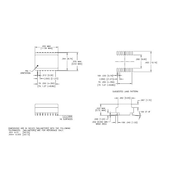
Dimensions:

|
|
90uH Min Ethernet Lan Transformer , Surface Mount Transformer ST7033FNL ISDN/ADSL Images |